
IMPEDANCIAS DE LAZOS
La medición de impedancias de los distintos lazos de corriente formados en una instalación eléctrica resultan de gran valor al momento de evaluar el estado de la misma y la apropiada selección de sus protecciones.
1- IMPEDANCIA DEL LAZO DE FALLA e Ipsc EN 61557 - 3
Cuando los lazos de corriente están protegidos por los dispositivos de protección de sobrecorriente, (fusibles ó interruptores automáticos), debe medirse entonces la impedancia del lazo de falla (Zs). La impedancia del lazo de falla debe ser bastante baja como para permitir la interrupción del circuito por medio de la actuación del dispositivo de protección instalado dentro del intervalo de tiempo prescripto en caso de carga defectuosa.
La impedancia del lazo de falla en sistemas TN está compuesta por las siguientes impedancias parciales:
· La Impedancia del secundario del transformador de distribución.
· La resistencia del conductor de fase desde el transformador al punto de la falla.
· La resistencia del conductor de protección desde el punto de la falla hasta el transformador .

Fig. 1: Lazo de falla en sistemas TN
La impedancia del lazo de falla en sistemas TT esta compuesta por las siguientes impedancias parciales:
· La Impedancia del secundario del transformador de distribución.
· La resistencia del conductor de fase desde el transformador de potencia a la situación de la falla.
· La resistencia del conductor de protección desde la situación de la falla al electrodo de puesta a tierra.
· La Resistencia de Tierra RE.
· La resistencia del electrodo de puesta a tierra RE hasta el transformador de potencia.
· La Resistencia del sistema de puesta a tierra del transformador de potencia (Ro)
![]()

Fig. 2: Lazo de falla en sistema TT
La siguiente tabla muestra las impedancias admisibles máximas en caso de uso de fusibles tipo gG en instalaciones para UL = 220 V.
|
Corriente Nominal del dispositivo de protección (A) |
gG 0,4s
Ia (A) Zs (W) |
gG 5s
Ia (A) Zs (W) |
||
|
2 |
16 |
13.7 |
9.2 |
23.9 |
|
4 |
32 |
6.8 |
18.5 |
11.8 |
|
6 |
47 |
4.6 |
28 |
7.8 |
|
10 |
82 |
2.6 |
46.5 |
4.7 |
|
16 |
110 |
2.0 |
65 |
3.3 |
|
20 |
147 |
1.4 |
85 |
2.5 |
|
25 |
183 |
1.2 |
110 |
2.0 |
|
32 |
275 |
0.8 |
150 |
1.2 |
|
40 |
320 |
0.6 |
190 |
1.1 |
|
50 |
470 |
0.4 |
250 |
0.8 |
|
63 |
550 |
0.4 |
320 |
0.6 |
|
80 |
840 |
0.2 |
425 |
0.5 |
|
100 |
1020 |
0.2 |
580 |
0.3 |
|
125 |
1450 |
0.1 |
715 |
0.3 |
Tabla 1: Impedancias máximas de lazo de falla admisibles en caso de fusibles tipo gG
Ia: Corriente de lazo de falla que ya asegura el disparo del dispositivo de protección.
En algunos países, son utilizados dispositivos de protección de sobrecorriente tipo gL en lugar de los gG. Veamos la tabla correspondiente para los dispositivos de protecciones gL construidos según VDE 0636 usados en instalaciones con UL-N = 220 V.
|
Corriente Nom. del dispositivo de protecc. (A) |
gL 0,2s
Ia (A) Zs (W) |
gL 5s
Ia (A) Zs (W) |
||
|
2 |
20 |
11 |
9.21 |
23.9 |
|
4 |
40 |
5.5 |
19.2 |
11.5 |
|
6 |
60 |
3.7 |
28 |
7.89 |
|
10 |
100 |
2.2 |
47 |
4.7 |
|
16 |
148 |
1.5 |
72 |
3.1 |
|
20 |
191 |
1.2 |
88 |
2.5 |
|
25 |
270 |
0.8 |
120 |
1.8 |
|
32 |
332 |
0.7 |
156 |
1.4 |
|
35 |
367 |
0.6 |
173 |
1.3 |
|
40 |
410 |
0.5 |
200 |
1.1 |
|
50 |
578 |
0.4 |
260 |
0.8 |
|
63 |
750 |
0.3 |
351 |
0.6 |
|
80 |
--- |
--- |
452 |
0.5 |
|
100 |
--- |
--- |
573 |
0.4 |
|
125 |
--- |
--- |
251 |
0.3 |
|
160 |
--- |
--- |
995 |
0.2 |
Tabla 2: Impedancias de lazo de falla admisibles en caso de usar fusibles gL
Las máximas impedancias de lazo de Falla permitidas en caso de interruptores termomagnéticos tipo B, C y K usados en instalaciones con tensión del línea nominal UL= 220,V se indican en la tabla de abajo:
|
I nom. del dispos. de protección |
Curva B |
Curva C |
Curva K |
|||
|
(A) |
Ia=5 In (A) |
Zs= (W) (0,2 s) |
Ia=10 In (A) |
Zs= (W) (0,2 s) |
Ia=15 In (A) |
Zs= (W) (0,2 s) |
|
2 |
10 |
22 |
20 |
11 |
30 |
7.3 |
|
4 |
20 |
11 |
40 |
5.5 |
60 |
3.7 |
|
6 |
30 |
7.3 |
60 |
3.65 |
90 |
2.4 |
|
10 |
50 |
4.4 |
100 |
2.2 |
150 |
1.5 |
|
16 |
80 |
2.8 |
160 |
1.4 |
240 |
0.9 |
|
20 |
100 |
2.2 |
200 |
1.1 |
300 |
0.7 |
|
25 |
125 |
1.8 |
250 |
0.9 |
375 |
0.6 |
|
32 |
160 |
1.4 |
320 |
0.7 |
480 |
0.5 |
|
35 |
175 |
1.3 |
350 |
0.65 |
525 |
0.4 |
|
40 |
200 |
1.1 |
400 |
0.55 |
600 |
0.37 |
|
50 |
250 |
0.9 |
500 |
0.45 |
750 |
0.29 |
|
63 |
315 |
0.7 |
630 |
0.35 |
945 |
0.23 |
Tabla 3: Impedancia máxima de lazo de falla admisible para interruptores
termomagnéticos B, C y K
Medición de Impedancia de lazo de falla.
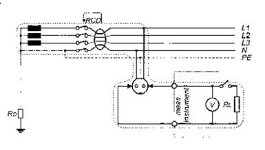
Las dos figuras de abajo ilustran el principio de medida y la conexión práctica del instrumento de prueba.

Fig. 3: Principio de medida

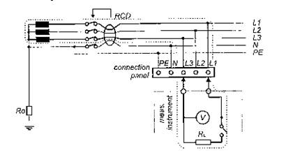
Fig. 4: Conexión práctica de los instrumentos METREL MI-2122 ó MI-2086EU.
donde:
Zsec impedancia de transformador secundario.
RL1 Resistencia del conductor de fase desde el transformador de potencia al toma de corriente.
RPE Resistencia del conductor de protección desde el toma de corriente al transformador de potencia.
El instrumento conecta a línea y conductor de protección una resistencia de carga apropiada con lo que carga notablemente la línea durante un corto período de tiempo. La corriente circula por el camino indicado por la línea de trazos (fig. 3; 4). La caída de tensión causada por la corriente de prueba es medida por el instrumento, así como también el retraso de fase entre la corriente y el voltaje . Basándose en los parámetros medidos, el instrumento de prueba calcula la impedancia del lazo de falla ZLOOP.
Los instrumentos actuales muestran la impedancia del lazo de falla simultáneamente con la corriente proyectada de cortocircuito Ipsc, la que se calcula de acuerdo a la siguiente fórmula:
Ipsc = Un . 1,06 / ZLOOP
donde
Ipsc: Corriente proyectada de cortocircuito en el lazo de falla.
Un: Tensión nominal entre conductores de fase y protección. (220 V o 230 V).
ZLOOP: Impedancia del lazo de falla.
2- IMPEDANCIA DE LINEA Y CORRIENTE ESTIMADA DE CORTOCIRCUITO
La impedancia de línea se mide entre el conductor de fase L y el neutro en sistemas monofásicos, mientras que en uno trifásico se mide la impedancia entre dos fases. La impedancia de línea debe medirse cuando se desea verificar la capacidad de una instalación en cuanto al manejo de cargas elevadas, o cuando se están verificando los interruptores automáticos. La impedancia esta compuesta por la combinación de las siguientes impedancias parciales :
· Impedancia del secundario del transformador.
· Resistencia del conductor de fase desde el transformador hasta el lugar del ensayo.
· Resistencia del neutro desde el transformador hasta el lugar del ensayo.
Generalidades acerca de la medición de Impedancia de línea:
El principio de medición es igual al de medición de la impedancia del lazo de falla , pero la medición se efectúa entre terminales L y N.
2. 1- Impedancia de línea medida entre fase y neutro.

de línea entre la fase L1 y el neutro

Fig. 6: Conexión práctica de los instrumentos METREL MI-2122 Y MI-2086EU.
donde:
Zsec Impedancia del secundario del transformador.
RL1 Resistencia del conductor de fase desde el transformador hasta el lugar del
ensayo.
RN Resistencia del conductor de Neutro desde el transformador hasta el lugar del ensayo.
ZLINE Impedancia de línea.
Véase la descripción de esta medición en el siguiente capítulo.
2.2- Medición de Impedancia de línea entre fases.

Fig. 7: Medición de Impedancia de fases entre fases.

Fig. 8: Conexión práctica de los instrumentos METREL MI-2122 Y MI-2086EU.
Con lo cual resulta
Zsec + RL1 + RL3 = ZLINE
La medición se lleva a cabo en dos pasos : en el primero, se miden los voltajes sin carga. Luego, en el segundo, se conecta una carga de alta potencia(en un período corto de tiempo). La corriente circula en el lazo (marcado por línea de trazos). Ver figs. 5, 6, 7, 8. Basándose en la diferencia de tensiones (con o sin carga) y el desplazamiento de fase entre tensión y corriente, el instrumento calcula la impedancia de línea (ZLINE).
La corriente de cortocircuito proyectada Ipsc se calcula de acuerdo a la siguiente formula:
donde:
Ipsc Corriente proyectada de cortocircuito.
Un Tensión nominal de línea entre conductores de fase y neutro o entre dos
fases (115 / 230 / 400 V).
ZLINE Impedancia de línea.
La capacidad de ruptura de los fusibles o interruptores automáticos por sobreintensidad intercalados en la línea debe ser suficiente como para poder interrumpir la corriente estimada de cortocircuito. De no ser así, deberán ser reemplazados por otros tipos o capacidades.
3- RESISTENCIA DEL LAZO N-PE
Los instrumentos de diseño actual, construidos con electrónica moderna, son capaces de medir resistencia en el lazo formado por los conductores PE de protección y N (neutro), incluso ante corrientes de neutro de gran intensidad. Esta corriente, causada por las tensiones de fase, circula por elementos lineales o no lineales, generando caídas de tensión de forma de onda extremadamente irregular (armónicas). Estas caídas interfieren con la tensión de prueba produciendo disturbios en la medición. La tensión de prueba interna (aprox. 40 V CA @ < 15 mA) se utiliza dado que no hay tensión de línea presente entre los conductores N y PE.
Una ventaja importante de esta medición con respecto a la del Lazo de Falla (L-PE)es que si hubiera algún interruptor diferencial en el circuito, este seguramente no será disparado debido a la baja corriente que se inyecta (<15 mA).
Los instrumentos METREL 2122 Y MI-2086EU usan un principio especial de medición (patentado) para filtrar la señal de prueba, asegurando resultados de alta precisión.
¿Qué conclusiones pueden obtenerse de las mediciones?
Basándose en los resultados de las mediciones, pueden obtenerse las siguientes conclusiones:
· Tipo de conexión usada para el conductor de protección (sistemas TN, TT o IT).
· Valor de la Resistencia de tierra en caso sistemas TT.
· En caso de sistemas TT o TN, el resultado es similar al valor de la Resistencia del lazo de falla , razón por la cuál el instrumento calcula la corriente estimada de cortocircuito.
Generalidades sobre el principio de medición.
Como no hay tensión entre N y PE que pueda ser utilizada como tensión de prueba, el instrumento debe generar una por si mismo. Esta tensión puede ser de CA o CC. Los medidores METREL MI-2122 Y MI-2086EU usan CA y se basan en la medición de tensiones y corrientes de acuerdo al siguiente esquema:

donde:
Ut Tensión de prueba generada por el instrumento y medida por el voltímetro.
It Corriente de prueba medida por el amperímetro.
RN-PE Resistencia del lazo N-PE.
3.1- Medición de la resistencia del lazo N-PE en un sistema TN

El instrumento mide la resistencia de los conductores Neutro y de Protección desde la ubicación del transformador de distribución hasta el sitio de la medición (el lazo esta marcado en trazo grueso en la figura). El resultado del ensayo suelen ser valores de un par de Ohms como máximo, indicando que se trata de un sistema TN.
Resultado 1 = RN + RPE
Resultado 2 = Ipsc = 230V. 1,06/(RN + RPE)
donde:
RN Resistencia del conductor de neutro (marcada por línea gruesa continua).
RPE Resistencia del conductor de protección (marcada por línea gruesa punteada).
Ipsc Corriente estimada de cortocircuito para el lazo considerado.
3.2- Medición de Resistencia del lazo N-PE en un sistema TT.

El instrumento mide la resistencia en el siguiente lazo: conductor de Neutro desde el transformador de distribución al sitio de medición (toma de corriente), conductor de protección desde la toma de corriente al electrodo de tierra y en sentido inverso, hacia el transformador vía el suelo y la puesta a tierra del transformador (el lazo medido está indicado con trazo grueso en la figura). El valor obtenido de la medición suele ser elevado, un par de decenas de Ohms, indicando claramente que se trata de un sistema TT.
Resultado 1 = RN + RPE + RA +Ro
Resultado 2 = Ipsc = 230V. 1,06 / (RN + RPE + RA +Ro)
Como puede presumirse, RA es mucho más alta que la suma de todas las otras resistencias, por lo que se puede escribir lo siguiente:
Resultado 1 ~ RE
Resultado 2 = Ipsc ~ 230V. 1,06 / RA
donde:
RN Resistencia del conductor neutro desde el transformador de distribución hasta el electrodo de medición.
RPE Resistencia del conductor de protección desde la toma de corriente hasta la puesta tierra.
RA Resistencia de tierra.
Ro Resistencia de la puesta a tierra del transformador de distribución.
Ipsc Corriente estimada de cortocircuito.
3.3- Medición de resistencia del Lazo N-PE en un sistema IT

Como puede verse en la fig. de arriba, no hay conexión galvánica entre el conductor de Neutro y el conductor de protección en un sistema IT. El resultado del ensayo será entonces muy elevado, incluso fuera del rango de medición, indicando claramente que se trata de un sistema de tipo IT.
El hecho de obtener un resultado de valor elevado no implica necesariamente que se trate de un sistema de tipo IT. Puede ser que haya un conductor de protección abierto en un sistema TN ó TT.
NOTA:
Con el fin de poder determinar rápidamente los parámetros reales de una instalación para una elección correcta de los aparatos de protección, METREL ha desarrollado el modelo MI-2122, un equipo que mide la Impedancia de Lazo de tierra sin disparar los diferenciales (15mA), Impedancia de Línea con altas corrientes (25A), Impedancia entre dos fases con corrientes de 40A, corrientes de cortocircuito proyectadas hasta 42.4kA, tensión (fase/fase, fase/neutro, fase/tierra). Asimismo, provee indicación de secuencia de fases para los distintos tipos de sistemas utilizados ( TT, TN, etc). Posee además salida RS232, apagado automático, puntas y cables de medición. Otro modelo, el medidor multifunción MI-2086EU, agrega a todas estas mediciones, múltiples adicionales como: medición de puesta de tierra, megohmetro, prueba de interruptores diferenciales y varistores, medición de corrientes, potencias, armónicas, etc..
En resumen, equipos de potentes prestaciones, de sencillo uso y alta confiabilidad, que resultan herramientas esenciales en manos del profesional al momento de seleccionar los aparatos de protección y/o verificar el buen estado de la instalación.